🚚 Срок поставки от 3-х недель. Пока у других стоит "на таможне", у нас приезжает вовремя! 🚚
Conrad
Готовый интернет-магазин электроники
Каталог
Распродажа
Измерительная техника
Мультиметры
Измерители LCR
Настольные мультиметры
Токовые (токоизмерительные) клещи
Цифровые мультиметры
Газоанализаторы
Манометрические коллекторы
Анализаторы газа
Прочие газоанализаторы
Измерители температуры
Датчики температуры для термометров
Инфракрасные термометры (Пирометры)
Логгеры температуры
Температурные этикетки
Тепловизоры (Инфракрасные камеры)
Электронные термометры со щупом
Встраиваемые измерительные приборы
Встраиваемые цифровые амперметры и вольтметры
Встраиваемые цифровые модули счетчиков
Встроенные трансформаторы тока
Датчики температуры с дисплеем
Контрольно-измерительные приборы на DIN-рейку
Прочие встраиваемые приборы
Счетчики электроэнергии на DIN-рейку
Универсальные измерительные приборы
Осциллографы
Осциллографы для компьютеров
Переносные осциллографы
Принадлежности для осциллографов
Цифровые осциллографы
Специальные измерители
Измерители сопротивления изоляции (мегаомметры)
Измерители твёрдости
Калибраторы
Микроомметры
Тахометры
Тестеры электроустановок
Толщиномеры (измерители толщины)
Аксессуары для измерительной техники
Кейсы, сумки, чехлы для измерительных приборов
Специальные аксессуары для измерительной техники
Аксессуары для тепловизоров
Измерители влажности
Гигрометры
Измерители влажности материалов
Измерители свойств жидких сред
PH - метры
Измерители проводимости жидких сред
Комплекты приборов
Анализаторы батарей
ВЧ-калибровка
Инфракрасные окна
Первичные эталоны
Поверочные термостаты
Системы сбора данных
Стандарты и эталоны
Токовые шунты
Измерительные приборы
Таймеры
Анализаторы качества электроэнергии
Анализаторы систем конденсирования
Динамометры (измерители усилия)
Измерители вибрации
Измерители давления
Измерители длины кабеля
Измерители магнитного поля
Измерительные приборы (прочие)
Оптические и сетевые тестеры, рефлектометры, дефектоскопы
Розеточные тестеры
Счетчики электроэнергии
Тестеры кабельных линий (трассоискатели, кабелеискатели)
Тестеры напряжения
Шумомеры
Измерительные провода, щупы
Измерительные наконечники
Измерительные щупы для мультиметров
Щупы для осциллографов
Лабораторные приборы
Анализаторы спектра
Лабораторные источники питания
Функциональные генераторы
Частотомеры
Электронные нагрузки
Приборы контроля окружающей среды
Анализаторы смога
Люксметры (измерители освещённости)
Эндоскопы и аксессуары
Аксессуары для эндоскопов
Эндоскопы
Разъемы
Цилиндрические разъемы
PushPull разъемы
Серия Military
D-SUB разъемы
D-SUB коаксиальные контакты
D-SUB корпуса и сопутствующие товары
D-SUB разъемы: вилки и розетки
Аудио/видео разъемы
Mini DIN разъемы
XLR разъёмы
Аудио разъёмы jack
Аудио/видео адаптеры
Разъемы для динамиков, громкоговорителей
Разъемы колокольчики
Высокочастотные разъемы
BNC разъемы и соединения
F разъемы
FME-разъемы
HDMI-совместимые разъемы
HF-разъемы
MCX-,MMCX- разъемы
N разъемы
SMA разъемы
SMB разъемы
SMC-разъемы
TNC разъемы
UHF разъемы
Высокочастотные разъемы. Сопутствующие
Коаксиальные разъемы
Прочие ВЧ разъемы
Клеммы
Клеммы для печатных плат
Аксессуары для клеммных колодок
Клеммные колодки
Аксессуары для соединительных клемм
Другие клеммы
Соединительные клеммы
Лабораторные разъемы
Встраиваемые лабораторные разъемы
Зарядные цанги
Короткозамыкающие разъемы
Крокодилы, зажимы
Лабораторные разъемы
Полюсные клеммы
Наконечники
Аксессуары для наконечников
Кольцевые наконечники
Промышленные разъемы
Коробки для датчиков и приводов
Круглые разъемы
Промышленные разъемы прочие
Разъемы для датчиков и приводов
Разъемы телекоммуникационные и сигнальные
Компьютерные разъемы
Штыревые разъемы для плат
Контакты и контактные планки
Разъемы питания
Сетевые адаптеры и кабели питания
Аксессуары к разъемам питания
Разъемы IEC
Электромеханические компоненты
Переключатели и кнопки
Автоматизация
Сигнальная техника
WERMA
Измерительная и регулировочная техника
Датчики для терморегуляторов
Прочие измерительные преобразователи
Температурные измерительные преобразователи
ПЛК (программируемые логические контроллеры)
Контроллеры WAGO
Модули управления
HMI-панели оператора
Системные аксессуары WAGO
Интерфейсные модули
Удаленное техобслуживание
Сетевые коммутаторы
Ethernet - модули
Переходные устройства ADVANTECH
Электрические вибраторы
Комплектующие Allen Bradley
Пневматика и давление
Комплектующие Hydac
Круглые цилиндры
Пневматические вибраторы
Пневматические линейные вибраторы
Пневматические поршневые вибраторы
Пневматические ударные вибраторы
Пневматические шариковые и роликовые вибраторы
Пневматические турбинные вибраторы
Электрическое питание
Блоки питания и сетевые адаптеры
Блоки питания на DIN-рейку
Преобразователи напряжения
Паяльная техника
Аксессуары для пайки
Оплетка для удаления припоя
Аксессуары к вытяжкам паяльных газов
Инструмент для пайки
Отсос для припоя
Очистители паяльного жала
Прочее оборудование и запчасти
Паяльные ванны
Паяльные пластины предварительного прогрева
Подставки для паяльников
Припой
Флюсы
Вытяжки паяльных газов
Паяльные жала
Паяльники
Паяльные станции и оборудование
Паяльники для паяльных станций
Паяльные станции
Корпуса для приборов и РЭА
Пластиковые корпуса
Корпуса для приборов
Модульные корпуса
Переносные пластиковые корпуса
Универсальные корпуса
Ножки для корпусов
Ручки для корпусов
Активные компоненты
Датчики
Датчики Endress+Hauser
Аксессуары для датчиков
Датчики вибрации
Датчики влажности
Датчики газа
Датчики давления
Датчики движения
Датчики положения (угла наклона, поворота)
Датчики протока, контроля уровня
Датчики расстояния
Датчики света
Датчики температуры
Магнитные датчики
Радар-датчики
Ультразвуковые датчики
Универсальные модули датчиков
Датчики IFM
Микросхемы
Интегральные микросхемы
Регуляторы напряжения
Линейные регуляторы напряжения
LDO регуляторы напряжения
Импульсные регуляторы напряжения
Инструмент и прочие товары
Ручной инструмент
Наборы инструмента
Микроскопы
Цифровые микроскопы-камеры
Как купить
Условия оплаты
Условия доставки
Помощь
Возврат и обмен товара
Компания
О компании
Новости
Отзывы
Контакты
Контакты
8 (812) 509 35 08
8 (812) 509 35 08пн-пт с 10:00 до 18:00
Заказать звонок
Задать вопрос
Войти
  • Корзина0
  • Отложенные0
  • Сравнение товаров0
Ваш город
Другой город
Санкт-Петербург
Москва
Нижний Новгород
Екатеринбург
Казань
Новосибирск
Пермь
Другой город
info@conrad.ru
  • Вконтакте
Conrad
Ваш город
Другой город
Санкт-Петербург
Москва
Нижний Новгород
Екатеринбург
Казань
Новосибирск
Пермь
Другой город
info@conrad.ru
8 (812) 509 35 08
8 (812) 509 35 08пн-пт с 10:00 до 18:00
пн-пт с 10:00 до 18:00
Заказать звонок
Войти
О нас
Оптовые поставки
Бренды
Оплата
Доставка
Тендерный отдел
Контакты
+  ЕЩЕ
    Сравнение0
    Отложенные 0
    Корзина 0
    Каталог
    Распродажа
    Измерительная техника
    Разъемы
    Электромеханические компоненты
    Автоматизация
    Пневматика и давление
    Электрическое питание
    Паяльная техника
    Корпуса для приборов и РЭА
    Активные компоненты
    Инструмент и прочие товары
      • Мультиметры
        Мультиметры
        • Мультиметры Измерители LCR
        • Мультиметры Настольные мультиметры
        • Мультиметры Токовые (токоизмерительные) клещи
        • Мультиметры Цифровые мультиметры
      • Газоанализаторы
        Газоанализаторы
        • Газоанализаторы Манометрические коллекторы
        • Газоанализаторы Анализаторы газа
        • Газоанализаторы Прочие газоанализаторы
      • Измерители температуры
        Измерители температуры
        • Измерители температуры Датчики температуры для термометров
        • Измерители температуры Инфракрасные термометры (Пирометры)
        • Измерители температуры Логгеры температуры
        • Измерители температуры Температурные этикетки
        • Измерители температуры Тепловизоры (Инфракрасные камеры)
        • Измерители температуры Электронные термометры со щупом
      • Встраиваемые измерительные приборы
        Встраиваемые измерительные приборы
        • Встраиваемые измерительные приборы Встраиваемые цифровые амперметры и вольтметры
        • Встраиваемые измерительные приборы Встраиваемые цифровые модули счетчиков
        • Встраиваемые измерительные приборы Встроенные трансформаторы тока
        • Встраиваемые измерительные приборы Датчики температуры с дисплеем
        • Встраиваемые измерительные приборы Контрольно-измерительные приборы на DIN-рейку
        • Встраиваемые измерительные приборы Прочие встраиваемые приборы
        • Встраиваемые измерительные приборы Счетчики электроэнергии на DIN-рейку
        • Встраиваемые измерительные приборы Универсальные измерительные приборы
      • Осциллографы
        Осциллографы
        • Осциллографы Осциллографы для компьютеров
        • Осциллографы Переносные осциллографы
        • Осциллографы Принадлежности для осциллографов
        • Осциллографы Цифровые осциллографы
      • Специальные измерители
        Специальные измерители
        • Специальные измерители Измерители сопротивления изоляции (мегаомметры)
        • Специальные измерители Измерители твёрдости
        • Специальные измерители Калибраторы
        • Специальные измерители Микроомметры
        • Специальные измерители Тахометры
        • Специальные измерители Тестеры электроустановок
        • Специальные измерители Толщиномеры (измерители толщины)
      • Аксессуары для измерительной техники
        Аксессуары для измерительной техники
        • Аксессуары для измерительной техники Кейсы, сумки, чехлы для измерительных приборов
        • Аксессуары для измерительной техники Специальные аксессуары для измерительной техники
        • Аксессуары для измерительной техники Аксессуары для тепловизоров
      • Измерители влажности
        Измерители влажности
        • Измерители влажности Гигрометры
        • Измерители влажности Измерители влажности материалов
      • Измерители свойств жидких сред
        Измерители свойств жидких сред
        • Измерители свойств жидких сред PH - метры
        • Измерители свойств жидких сред Измерители проводимости жидких сред
      • Комплекты приборов
        • Комплекты приборов Анализаторы батарей
        • Комплекты приборов ВЧ-калибровка
        • Комплекты приборов Инфракрасные окна
        • Комплекты приборов Первичные эталоны
        • Комплекты приборов Поверочные термостаты
        • Комплекты приборов Системы сбора данных
        • Комплекты приборов Стандарты и эталоны
        • Комплекты приборов Токовые шунты
      • Измерительные приборы
        Измерительные приборы
        • Измерительные приборы Таймеры
        • Измерительные приборы Анализаторы качества электроэнергии
        • Измерительные приборы Анализаторы систем конденсирования
        • Измерительные приборы Динамометры (измерители усилия)
        • Измерительные приборы Измерители вибрации
        • Измерительные приборы Измерители давления
        • Измерительные приборы Измерители длины кабеля
        • Измерительные приборы Измерители магнитного поля
        • Измерительные приборы Измерительные приборы (прочие)
        • Измерительные приборы Оптические и сетевые тестеры, рефлектометры, дефектоскопы
        • Измерительные приборы Розеточные тестеры
        • Измерительные приборы Счетчики электроэнергии
        • Измерительные приборы Тестеры кабельных линий (трассоискатели, кабелеискатели)
        • Измерительные приборы Тестеры напряжения
        • Измерительные приборы Шумомеры
        • +  ЕЩЕ 5
      • Измерительные провода, щупы
        Измерительные провода, щупы
        • Измерительные провода, щупы Измерительные наконечники
        • Измерительные провода, щупы Измерительные щупы для мультиметров
        • Измерительные провода, щупы Щупы для осциллографов
      • Лабораторные приборы
        Лабораторные приборы
        • Лабораторные приборы Анализаторы спектра
        • Лабораторные приборы Лабораторные источники питания
        • Лабораторные приборы Функциональные генераторы
        • Лабораторные приборы Частотомеры
        • Лабораторные приборы Электронные нагрузки
      • Приборы контроля окружающей среды
        Приборы контроля окружающей среды
        • Приборы контроля окружающей среды Анализаторы смога
        • Приборы контроля окружающей среды Люксметры (измерители освещённости)
      • Эндоскопы и аксессуары
        Эндоскопы и аксессуары
        • Эндоскопы и аксессуары Аксессуары для эндоскопов
        • Эндоскопы и аксессуары Эндоскопы
      • Цилиндрические разъемы
        • Цилиндрические разъемы PushPull разъемы
        • Цилиндрические разъемы Серия Military
      • D-SUB разъемы
        • D-SUB разъемы D-SUB коаксиальные контакты
        • D-SUB разъемы D-SUB корпуса и сопутствующие товары
        • D-SUB разъемы D-SUB разъемы: вилки и розетки
      • Аудио/видео разъемы
        • Аудио/видео разъемы Mini DIN разъемы
        • Аудио/видео разъемы XLR разъёмы
        • Аудио/видео разъемы Аудио разъёмы jack
        • Аудио/видео разъемы Аудио/видео адаптеры
        • Аудио/видео разъемы Разъемы для динамиков, громкоговорителей
        • Аудио/видео разъемы Разъемы колокольчики
      • Высокочастотные разъемы
        • Высокочастотные разъемы BNC разъемы и соединения
        • Высокочастотные разъемы F разъемы
        • Высокочастотные разъемы FME-разъемы
        • Высокочастотные разъемы HDMI-совместимые разъемы
        • Высокочастотные разъемы HF-разъемы
        • Высокочастотные разъемы MCX-,MMCX- разъемы
        • Высокочастотные разъемы N разъемы
        • Высокочастотные разъемы SMA разъемы
        • Высокочастотные разъемы SMB разъемы
        • Высокочастотные разъемы SMC-разъемы
        • Высокочастотные разъемы TNC разъемы
        • Высокочастотные разъемы UHF разъемы
        • Высокочастотные разъемы Высокочастотные разъемы. Сопутствующие
        • Высокочастотные разъемы Коаксиальные разъемы
        • Высокочастотные разъемы Прочие ВЧ разъемы
        • +  ЕЩЕ 5
      • Клеммы
        • Клеммы Клеммы для печатных плат
        • Клеммы Аксессуары для клеммных колодок
        • Клеммы Клеммные колодки
        • Клеммы Аксессуары для соединительных клемм
        • Клеммы Другие клеммы
        • Клеммы Соединительные клеммы
      • Лабораторные разъемы
        • Лабораторные разъемы Встраиваемые лабораторные разъемы
        • Лабораторные разъемы Зарядные цанги
        • Лабораторные разъемы Короткозамыкающие разъемы
        • Лабораторные разъемы Крокодилы, зажимы
        • Лабораторные разъемы Лабораторные разъемы
        • Лабораторные разъемы Полюсные клеммы
      • Наконечники
        • Наконечники Аксессуары для наконечников
        • Наконечники Кольцевые наконечники
      • Промышленные разъемы
        • Промышленные разъемы Коробки для датчиков и приводов
        • Промышленные разъемы Круглые разъемы
        • Промышленные разъемы Промышленные разъемы прочие
        • Промышленные разъемы Разъемы для датчиков и приводов
      • Разъемы телекоммуникационные и сигнальные
        • Разъемы телекоммуникационные и сигнальные Компьютерные разъемы
        • Разъемы телекоммуникационные и сигнальные Штыревые разъемы для плат
        • Разъемы телекоммуникационные и сигнальные Контакты и контактные планки
      • Разъемы питания
        • Разъемы питания Сетевые адаптеры и кабели питания
        • Разъемы питания Аксессуары к разъемам питания
        • Разъемы питания Разъемы IEC
      • Переключатели и кнопки
        Переключатели и кнопки
      • Сигнальная техника
        Сигнальная техника
        • Сигнальная техника WERMA
      • Измерительная и регулировочная техника
        Измерительная и регулировочная техника
        • Измерительная и регулировочная техника Датчики для терморегуляторов
        • Измерительная и регулировочная техника Прочие измерительные преобразователи
        • Измерительная и регулировочная техника Температурные измерительные преобразователи
      • ПЛК (программируемые логические контроллеры)
        ПЛК (программируемые логические контроллеры)
        • ПЛК (программируемые логические контроллеры) Контроллеры WAGO
        • ПЛК (программируемые логические контроллеры) Модули управления
        • ПЛК (программируемые логические контроллеры) HMI-панели оператора
        • ПЛК (программируемые логические контроллеры) Системные аксессуары WAGO
      • Интерфейсные модули
        Интерфейсные модули
      • Удаленное техобслуживание
        Удаленное техобслуживание
        • Удаленное техобслуживание Сетевые коммутаторы
        • Удаленное техобслуживание Ethernet - модули
        • Удаленное техобслуживание Переходные устройства ADVANTECH
      • Электрические вибраторы
        Электрические вибраторы
      • PNG  IHDR<sN pHYs+IDATHh^}{= 5 manF9'R8fY .ԁk)(ԭf:c†)~4N{u&]97:.-nȈ ٛ,67ڊc(><{{;/7cQ3#nߦC>Bc_0%]mL҉>Y,>.tcK÷|+" B۳vԥZ8 sje)؊ajeS~;J#~Y$eq,Yf')WނNפi_4] ɂqKì4tV kX4l;M`K.m>zcԷs7jJ:KMZP@9TsC->gn0 v$`;6:u*arq j};?ks(KC/U Y|Lj,Q6ֳ&NoœR(+d3xN×0"qZ*Bq#{et`B^-c8"-'dShX"$ d$yEb,ftYg) Ku-q)y8)8X쿀xw0hIJC@Џsm\{m~4HCLvwdqF7mE* (Z IQiK傡 ܹ Sz1h/:/ ߗq(փE~ߐTKUPY~Z go_T|>/Wx<]3,t|G#-?.4T I4F$9$ KO,vh(j ڷiVVY
        Комплектующие Allen Bradley
      • Комплектующие Hydac
        Комплектующие Hydac
      • Круглые цилиндры
        Круглые цилиндры
      • Пневматические вибраторы
        Пневматические вибраторы
        • Пневматические вибраторы Пневматические линейные вибраторы
        • Пневматические вибраторы Пневматические поршневые вибраторы
        • Пневматические вибраторы Пневматические ударные вибраторы
        • Пневматические вибраторы Пневматические шариковые и роликовые вибраторы
        • Пневматические вибраторы Пневматические турбинные вибраторы
      • Блоки питания и сетевые адаптеры
        • Блоки питания и сетевые адаптеры Блоки питания на DIN-рейку
      • Преобразователи напряжения
      • Аксессуары для пайки
        Аксессуары для пайки
        • Аксессуары для пайки Оплетка для удаления припоя
        • Аксессуары для пайки Аксессуары к вытяжкам паяльных газов
        • Аксессуары для пайки Инструмент для пайки
        • Аксессуары для пайки Отсос для припоя
        • Аксессуары для пайки Очистители паяльного жала
        • Аксессуары для пайки Прочее оборудование и запчасти
        • Аксессуары для пайки Паяльные ванны
        • Аксессуары для пайки Паяльные пластины предварительного прогрева
        • Аксессуары для пайки Подставки для паяльников
        • Аксессуары для пайки Припой
        • Аксессуары для пайки Флюсы
        • +  ЕЩЕ 1
      •  Вытяжки паяльных газов
        Вытяжки паяльных газов
      • Паяльные жала
        Паяльные жала
      • Паяльники
        Паяльники
      • Паяльные станции и оборудование
        Паяльные станции и оборудование
        • Паяльные станции и оборудование Паяльники для паяльных станций
        • Паяльные станции и оборудование Паяльные станции
      • Пластиковые корпуса
        Пластиковые корпуса
        • Пластиковые корпуса Корпуса для приборов
        • Пластиковые корпуса Модульные корпуса
        • Пластиковые корпуса Переносные пластиковые корпуса
        • Пластиковые корпуса Универсальные корпуса
      • Ножки для корпусов
        Ножки для корпусов
      • Ручки для корпусов
        Ручки для корпусов
      • Датчики
        Датчики
        • Датчики Датчики Endress+Hauser
        • Датчики Аксессуары для датчиков
        • Датчики Датчики вибрации
        • Датчики Датчики влажности
        • Датчики Датчики газа
        • Датчики Датчики давления
        • Датчики Датчики движения
        • Датчики Датчики положения (угла наклона, поворота)
        • Датчики Датчики протока, контроля уровня
        • Датчики Датчики расстояния
        • Датчики Датчики света
        • Датчики Датчики температуры
        • Датчики Магнитные датчики
        • Датчики Радар-датчики
        • Датчики Ультразвуковые датчики
        • Датчики Универсальные модули датчиков
        • Датчики Датчики IFM
        • +  ЕЩЕ 7
      • Микросхемы
        Микросхемы
        • Микросхемы Интегральные микросхемы
      • Регуляторы напряжения
        Регуляторы напряжения
        • Регуляторы напряжения Линейные регуляторы напряжения
        • Регуляторы напряжения LDO регуляторы напряжения
        • Регуляторы напряжения Импульсные регуляторы напряжения
      • Ручной инструмент
        Ручной инструмент
        • Ручной инструмент Наборы инструмента
      • Микроскопы
        Микроскопы
      • Цифровые микроскопы-камеры
        Цифровые микроскопы-камеры
    Conrad
    Ваш город
    Другой город
    Санкт-Петербург
    Москва
    Нижний Новгород
    Екатеринбург
    Казань
    Новосибирск
    Пермь
    Другой город
    info@conrad.ru
    8 (812) 509 35 08
    8 (812) 509 35 08пн-пт с 10:00 до 18:00
    Заказать звонок
    Сравнение0 Отложенные 0 Корзина 0
    Войти
    Conrad
    Сравнение0 Отложенные 0 Корзина 0
    Телефоны
    8 (812) 509 35 08пн-пт с 10:00 до 18:00
    Заказать звонок
    • Каталог
      • Назад
      • Каталог
      • Распродажа
      • Измерительная техника
        • Назад
        • Измерительная техника
        • Мультиметры
          • Назад
          • Мультиметры
          • Измерители LCR
          • Настольные мультиметры
          • Токовые (токоизмерительные) клещи
          • Цифровые мультиметры
        • Газоанализаторы
          • Назад
          • Газоанализаторы
          • Манометрические коллекторы
          • Анализаторы газа
          • Прочие газоанализаторы
        • Измерители температуры
          • Назад
          • Измерители температуры
          • Датчики температуры для термометров
          • Инфракрасные термометры (Пирометры)
          • Логгеры температуры
          • Температурные этикетки
          • Тепловизоры (Инфракрасные камеры)
          • Электронные термометры со щупом
        • Встраиваемые измерительные приборы
          • Назад
          • Встраиваемые измерительные приборы
          • Встраиваемые цифровые амперметры и вольтметры
          • Встраиваемые цифровые модули счетчиков
          • Встроенные трансформаторы тока
          • Датчики температуры с дисплеем
          • Контрольно-измерительные приборы на DIN-рейку
          • Прочие встраиваемые приборы
          • Счетчики электроэнергии на DIN-рейку
          • Универсальные измерительные приборы
        • Осциллографы
          • Назад
          • Осциллографы
          • Осциллографы для компьютеров
          • Переносные осциллографы
          • Принадлежности для осциллографов
          • Цифровые осциллографы
        • Специальные измерители
          • Назад
          • Специальные измерители
          • Измерители сопротивления изоляции (мегаомметры)
          • Измерители твёрдости
          • Калибраторы
          • Микроомметры
          • Тахометры
          • Тестеры электроустановок
          • Толщиномеры (измерители толщины)
        • Аксессуары для измерительной техники
          • Назад
          • Аксессуары для измерительной техники
          • Кейсы, сумки, чехлы для измерительных приборов
          • Специальные аксессуары для измерительной техники
          • Аксессуары для тепловизоров
        • Измерители влажности
          • Назад
          • Измерители влажности
          • Гигрометры
          • Измерители влажности материалов
        • Измерители свойств жидких сред
          • Назад
          • Измерители свойств жидких сред
          • PH - метры
          • Измерители проводимости жидких сред
        • Комплекты приборов
          • Назад
          • Комплекты приборов
          • Анализаторы батарей
          • ВЧ-калибровка
          • Инфракрасные окна
          • Первичные эталоны
          • Поверочные термостаты
          • Системы сбора данных
          • Стандарты и эталоны
          • Токовые шунты
        • Измерительные приборы
          • Назад
          • Измерительные приборы
          • Таймеры
          • Анализаторы качества электроэнергии
          • Анализаторы систем конденсирования
          • Динамометры (измерители усилия)
          • Измерители вибрации
          • Измерители давления
          • Измерители длины кабеля
          • Измерители магнитного поля
          • Измерительные приборы (прочие)
          • Оптические и сетевые тестеры, рефлектометры, дефектоскопы
          • Розеточные тестеры
          • Счетчики электроэнергии
          • Тестеры кабельных линий (трассоискатели, кабелеискатели)
          • Тестеры напряжения
          • Шумомеры
        • Измерительные провода, щупы
          • Назад
          • Измерительные провода, щупы
          • Измерительные наконечники
          • Измерительные щупы для мультиметров
          • Щупы для осциллографов
        • Лабораторные приборы
          • Назад
          • Лабораторные приборы
          • Анализаторы спектра
          • Лабораторные источники питания
          • Функциональные генераторы
          • Частотомеры
          • Электронные нагрузки
        • Приборы контроля окружающей среды
          • Назад
          • Приборы контроля окружающей среды
          • Анализаторы смога
          • Люксметры (измерители освещённости)
        • Эндоскопы и аксессуары
          • Назад
          • Эндоскопы и аксессуары
          • Аксессуары для эндоскопов
          • Эндоскопы
      • Разъемы
        • Назад
        • Разъемы
        • Цилиндрические разъемы
          • Назад
          • Цилиндрические разъемы
          • PushPull разъемы
          • Серия Military
        • D-SUB разъемы
          • Назад
          • D-SUB разъемы
          • D-SUB коаксиальные контакты
          • D-SUB корпуса и сопутствующие товары
          • D-SUB разъемы: вилки и розетки
        • Аудио/видео разъемы
          • Назад
          • Аудио/видео разъемы
          • Mini DIN разъемы
          • XLR разъёмы
          • Аудио разъёмы jack
          • Аудио/видео адаптеры
          • Разъемы для динамиков, громкоговорителей
          • Разъемы колокольчики
        • Высокочастотные разъемы
          • Назад
          • Высокочастотные разъемы
          • BNC разъемы и соединения
          • F разъемы
          • FME-разъемы
          • HDMI-совместимые разъемы
          • HF-разъемы
          • MCX-,MMCX- разъемы
          • N разъемы
          • SMA разъемы
          • SMB разъемы
          • SMC-разъемы
          • TNC разъемы
          • UHF разъемы
          • Высокочастотные разъемы. Сопутствующие
          • Коаксиальные разъемы
          • Прочие ВЧ разъемы
        • Клеммы
          • Назад
          • Клеммы
          • Клеммы для печатных плат
          • Аксессуары для клеммных колодок
          • Клеммные колодки
          • Аксессуары для соединительных клемм
          • Другие клеммы
          • Соединительные клеммы
        • Лабораторные разъемы
          • Назад
          • Лабораторные разъемы
          • Встраиваемые лабораторные разъемы
          • Зарядные цанги
          • Короткозамыкающие разъемы
          • Крокодилы, зажимы
          • Лабораторные разъемы
          • Полюсные клеммы
        • Наконечники
          • Назад
          • Наконечники
          • Аксессуары для наконечников
          • Кольцевые наконечники
        • Промышленные разъемы
          • Назад
          • Промышленные разъемы
          • Коробки для датчиков и приводов
          • Круглые разъемы
          • Промышленные разъемы прочие
          • Разъемы для датчиков и приводов
        • Разъемы телекоммуникационные и сигнальные
          • Назад
          • Разъемы телекоммуникационные и сигнальные
          • Компьютерные разъемы
          • Штыревые разъемы для плат
          • Контакты и контактные планки
        • Разъемы питания
          • Назад
          • Разъемы питания
          • Сетевые адаптеры и кабели питания
          • Аксессуары к разъемам питания
          • Разъемы IEC
      • Электромеханические компоненты
        • Назад
        • Электромеханические компоненты
        • Переключатели и кнопки
      • Автоматизация
        • Назад
        • Автоматизация
        • Сигнальная техника
          • Назад
          • Сигнальная техника
          • WERMA
        • Измерительная и регулировочная техника
          • Назад
          • Измерительная и регулировочная техника
          • Датчики для терморегуляторов
          • Прочие измерительные преобразователи
          • Температурные измерительные преобразователи
        • ПЛК (программируемые логические контроллеры)
          • Назад
          • ПЛК (программируемые логические контроллеры)
          • Контроллеры WAGO
          • Модули управления
          • HMI-панели оператора
          • Системные аксессуары WAGO
        • Интерфейсные модули
        • Удаленное техобслуживание
          • Назад
          • Удаленное техобслуживание
          • Сетевые коммутаторы
          • Ethernet - модули
          • Переходные устройства ADVANTECH
        • Электрические вибраторы
        • Комплектующие Allen Bradley
      • Пневматика и давление
        • Назад
        • Пневматика и давление
        • Комплектующие Hydac
        • Круглые цилиндры
        • Пневматические вибраторы
          • Назад
          • Пневматические вибраторы
          • Пневматические линейные вибраторы
          • Пневматические поршневые вибраторы
          • Пневматические ударные вибраторы
          • Пневматические шариковые и роликовые вибраторы
          • Пневматические турбинные вибраторы
      • Электрическое питание
        • Назад
        • Электрическое питание
        • Блоки питания и сетевые адаптеры
          • Назад
          • Блоки питания и сетевые адаптеры
          • Блоки питания на DIN-рейку
        • Преобразователи напряжения
      • Паяльная техника
        • Назад
        • Паяльная техника
        • Аксессуары для пайки
          • Назад
          • Аксессуары для пайки
          • Оплетка для удаления припоя
          • Аксессуары к вытяжкам паяльных газов
          • Инструмент для пайки
          • Отсос для припоя
          • Очистители паяльного жала
          • Прочее оборудование и запчасти
          • Паяльные ванны
          • Паяльные пластины предварительного прогрева
          • Подставки для паяльников
          • Припой
          • Флюсы
        • Вытяжки паяльных газов
        • Паяльные жала
        • Паяльники
        • Паяльные станции и оборудование
          • Назад
          • Паяльные станции и оборудование
          • Паяльники для паяльных станций
          • Паяльные станции
      • Корпуса для приборов и РЭА
        • Назад
        • Корпуса для приборов и РЭА
        • Пластиковые корпуса
          • Назад
          • Пластиковые корпуса
          • Корпуса для приборов
          • Модульные корпуса
          • Переносные пластиковые корпуса
          • Универсальные корпуса
        • Ножки для корпусов
        • Ручки для корпусов
      • Активные компоненты
        • Назад
        • Активные компоненты
        • Датчики
          • Назад
          • Датчики
          • Датчики Endress+Hauser
          • Аксессуары для датчиков
          • Датчики вибрации
          • Датчики влажности
          • Датчики газа
          • Датчики давления
          • Датчики движения
          • Датчики положения (угла наклона, поворота)
          • Датчики протока, контроля уровня
          • Датчики расстояния
          • Датчики света
          • Датчики температуры
          • Магнитные датчики
          • Радар-датчики
          • Ультразвуковые датчики
          • Универсальные модули датчиков
          • Датчики IFM
        • Микросхемы
          • Назад
          • Микросхемы
          • Интегральные микросхемы
        • Регуляторы напряжения
          • Назад
          • Регуляторы напряжения
          • Линейные регуляторы напряжения
          • LDO регуляторы напряжения
          • Импульсные регуляторы напряжения
      • Инструмент и прочие товары
        • Назад
        • Инструмент и прочие товары
        • Ручной инструмент
          • Назад
          • Ручной инструмент
          • Наборы инструмента
        • Микроскопы
        • Цифровые микроскопы-камеры
    • Как купить
      • Назад
      • Как купить
      • Условия оплаты
      • Условия доставки
      • Помощь
      • Возврат и обмен товара
    • Компания
      • Назад
      • Компания
      • О компании
      • Новости
      • Отзывы
      • Контакты
    • Контакты
    • Другой город
      • Назад
      • Города
      • Санкт-Петербург
      • Москва
      • Нижний Новгород
      • Екатеринбург
      • Казань
      • Новосибирск
      • Пермь
      • Другой город
    • Личный кабинет
    • Корзина0
    • Отложенные0
    • Сравнение товаров0
    • 8 (812) 509 35 08пн-пт с 10:00 до 18:00
    Контактная информация
    info@conrad.ru
    • Вконтакте

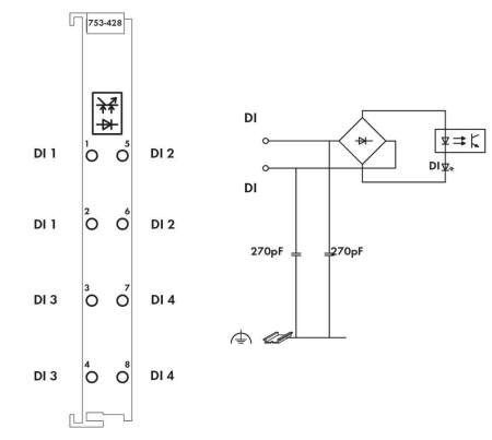
    Модуль цифрового ввода ПЛК WAGO 753-428, in:4, IP20, 42В DC, DIN 35 рейка 192152

    Главная
    —
    Каталог
    —
    Автоматизация
    —
    ПЛК (программируемые логические контроллеры)
    —
    Контроллеры WAGO
    —Модуль цифрового ввода ПЛК WAGO 753-428, in:4, IP20, 42В DC, DIN 35 рейка 192152
    Модуль цифрового ввода ПЛК WAGO 753-428
    Модуль цифрового ввода ПЛК WAGO 753-428
    Модуль цифрового ввода ПЛК WAGO 753-428
    Модуль цифрового ввода ПЛК WAGO 753-428
    Модуль цифрового ввода ПЛК WAGO 753-428
    Модуль цифрового ввода ПЛК WAGO 753-428
    Цена действительна только для интернет-магазина и может отличаться от цен в розничных магазинах
    Отложить В отложенных
    Сравнить В сравнении
    Артикул: 192152
    WAGO
    Тип товара Модуль цифрового ввода ПЛК
    Код производителя 753-428
    Степень защиты IP20
    Все товары категории
    Все товары бренда WAGO
    WAGO
    29 242 руб.
    /шт
    Варианты цен
    от 0 до 4 шт
    29 242 руб./шт
    от 5 до 9 шт
    25 802 руб./шт
    от 10 до 24 шт
    22 362 руб./шт
    от 25 до 49 шт
    22 362 руб./шт
    от 50 до 99 шт
    21 501 руб./шт
    от 100 шт
    21 501 руб./шт
    Подробности
    в т.ч. НДС 22%
    Срок поставки 6-8 недель.
    КупитьВ корзине
    Быстрый заказ
    Рассчитать доставку
    Самовывоз сегодня - бесплатно
    Доставка завтра - 390 ₽
    Цена действительна только для интернет-магазина и может отличаться от цен в розничных магазинах
    Почему стоит покупать на Conrad.ru
    Только оригинальные компоненты из Германии и ЕС
    Гарантия на все товары
    Надёжный поставщик с 1995 года
    Минимальная сумма для импорта - 60 тыс.руб
    Поставляем только импортное оборудование
    • Описание
    • Отзывы
    • Как купить
    • Дополнительно
    • Гарантия и возврат
    Характеристики
    Тип товара
    Модуль цифрового ввода ПЛК
    Бренд
    WAGO
    Код производителя
    753-428
    Количество цифровых входов
    4
    Рабочее напряжение (макс) AC, В
    42
    Рабочее напряжение (макс) DC, В
    42
    Рабочее напряжение (макс), В
    42
    Количество входов
    4
    Степень защиты
    IP20
    Тип монтажа
    DIN 35 рейка
    Цвет
    светло - серый
    Температура (макс), С
    55
    Высота, мм
    64
    Длина, мм
    100
    Ширина, мм
    12
    Вес, г
    50
    Количество в упаковке
    1 шт
    Вся размещённая на сайте информация, в том числе информация об услугах и их стоимости, описание товаров и изображения, носит исключительно информационный характер и не является договором публичной оферты.
    Внешний вид изделия может отличаться от фотографий, представленных в интернет-магазине.
    Производитель оставляет за собой право вносить изменения в технические характеристики, комплектацию и конструкцию, без предварительного уведомления.
    Документы и загрузки
    Техническое описание Модуль цифрового ввода ПЛК WAGO 753-428, in:4, IP20, 42В DC, DIN 35 рейкаТехническое описание Модуль цифрового ввода ПЛК WAGO 753-428, in:4, IP20, 42В DC, DIN 35 рейка 1.13 МБ

    Все товары, продаваемые на сайте conrad.ru имеют стандартную гарантию 1 год. Отдельные производители могут назначать расширенную гарантию на свои товары.

    Предъявить требования об обмене или возврате Вам необходимо в виде заявления на электронную почту zakaz@conrad.ru или заказным письмом по нашему адресу. Вы также можете доставить его к нам в офис в Санкт-Петербурге.

    Обратите внимание: товар надлежащего качества подлежит возврату или обмену, если его товарный вид, упаковка, потребительские свойства сохранены и все необходимые документы (гарантийные талоны, паспорт изделия и т.д.) в порядке. В обратном случае товар возврату и обмену не подлежит.

    Возврат денежных средств Покупателю (физическому лицу) осуществляется в случае отказа от заказанного товара надлежащего качества, за исключением изделий, входящих в перечень технически сложных товаров, а также в случае обнаружения дефектов товара, возникших не по вине Покупателя. Возврат денежных средств возможен после рассмотрения заявления от Покупателя и производится наличным или безналичным платежом, в зависимости от того, какой способ оплаты был выбран при оплате товара.

    Все товары, продаваемые на сайте conrad.ru имеют стандартную гарантию 1 год. Отдельные производители могут назначать расширенную гарантию на свои товары.

    Предъявить требования об обмене или возврате Вам необходимо в виде заявления на электронную почту zakaz@conrad.ru или заказным письмом по нашему адресу. Вы также можете доставить его к нам в офис в Санкт-Петербурге.

    Обратите внимание: товар надлежащего качества подлежит возврату или обмену, если его товарный вид, упаковка, потребительские свойства сохранены и все необходимые документы (гарантийные талоны, паспорт изделия и т.д.) в порядке. В обратном случае товар возврату и обмену не подлежит.

    Возврат денежных средств Покупателю (физическому лицу) осуществляется в случае отказа от заказанного товара надлежащего качества, за исключением изделий, входящих в перечень технически сложных товаров, а также в случае обнаружения дефектов товара, возникших не по вине Покупателя. Возврат денежных средств возможен после рассмотрения заявления от Покупателя и производится наличным или безналичным платежом, в зависимости от того, какой способ оплаты был выбран при оплате товара.

    Все товары, продаваемые на сайте conrad.ru имеют стандартную гарантию 1 год. Отдельные производители могут назначать расширенную гарантию на свои товары.

    Предъявить требования об обмене или возврате Вам необходимо в виде заявления на электронную почту zakaz@conrad.ru или заказным письмом по нашему адресу. Вы также можете доставить его к нам в офис в Санкт-Петербурге.

    Обратите внимание: товар надлежащего качества подлежит возврату или обмену, если его товарный вид, упаковка, потребительские свойства сохранены и все необходимые документы (гарантийные талоны, паспорт изделия и т.д.) в порядке. В обратном случае товар возврату и обмену не подлежит.

    Возврат денежных средств Покупателю (физическому лицу) осуществляется в случае отказа от заказанного товара надлежащего качества, за исключением изделий, входящих в перечень технически сложных товаров, а также в случае обнаружения дефектов товара, возникших не по вине Покупателя. Возврат денежных средств возможен после рассмотрения заявления от Покупателя и производится наличным или безналичным платежом, в зависимости от того, какой способ оплаты был выбран при оплате товара.

    Все товары, продаваемые на сайте conrad.ru имеют стандартную гарантию 1 год. Отдельные производители могут назначать расширенную гарантию на свои товары.

    Предъявить требования об обмене или возврате Вам необходимо в виде заявления на электронную почту zakaz@conrad.ru или заказным письмом по нашему адресу. Вы также можете доставить его к нам в офис в Санкт-Петербурге.

    Обратите внимание: товар надлежащего качества подлежит возврату или обмену, если его товарный вид, упаковка, потребительские свойства сохранены и все необходимые документы (гарантийные талоны, паспорт изделия и т.д.) в порядке. В обратном случае товар возврату и обмену не подлежит.

    Возврат денежных средств Покупателю (физическому лицу) осуществляется в случае отказа от заказанного товара надлежащего качества, за исключением изделий, входящих в перечень технически сложных товаров, а также в случае обнаружения дефектов товара, возникших не по вине Покупателя. Возврат денежных средств возможен после рассмотрения заявления от Покупателя и производится наличным или безналичным платежом, в зависимости от того, какой способ оплаты был выбран при оплате товара.

    Отзывы
    Нет оценок
    Оставить отзыв
    Загрузка отзывов...

    Все товары, продаваемые на сайте conrad.ru имеют стандартную гарантию 1 год. Отдельные производители могут назначать расширенную гарантию на свои товары.

    Предъявить требования об обмене или возврате Вам необходимо в виде заявления на электронную почту zakaz@conrad.ru или заказным письмом по нашему адресу. Вы также можете доставить его к нам в офис в Санкт-Петербурге.

    Обратите внимание: товар надлежащего качества подлежит возврату или обмену, если его товарный вид, упаковка, потребительские свойства сохранены и все необходимые документы (гарантийные талоны, паспорт изделия и т.д.) в порядке. В обратном случае товар возврату и обмену не подлежит.

    Возврат денежных средств Покупателю (физическому лицу) осуществляется в случае отказа от заказанного товара надлежащего качества, за исключением изделий, входящих в перечень технически сложных товаров, а также в случае обнаружения дефектов товара, возникших не по вине Покупателя. Возврат денежных средств возможен после рассмотрения заявления от Покупателя и производится наличным или безналичным платежом, в зависимости от того, какой способ оплаты был выбран при оплате товара.

    Для покупки товара в нашем интернет-магазине выберите понравившийся товар и добавьте его в корзину. Далее перейдите в Корзину и нажмите на «Оформить заказ» или «Быстрый заказ».

    Когда оформляете быстрый заказ, напишите ФИО, телефон и e-mail. Вам перезвонит менеджер и уточнит условия заказа. По результатам разговора вам придет подтверждение оформления товара на почту или через СМС. Теперь останется только ждать доставки и радоваться новой покупке.

    Оформление заказа в стандартном режиме выглядит следующим образом. Заполняете полностью форму по последовательным этапам: адрес, способ доставки, оплаты, данные о себе. Советуем в комментарии к заказу написать информацию, которая поможет курьеру вас найти. Нажмите кнопку «Оформить заказ».

    Все товары, продаваемые на сайте conrad.ru имеют стандартную гарантию 1 год. Отдельные производители могут назначать расширенную гарантию на свои товары.

    Предъявить требования об обмене или возврате Вам необходимо в виде заявления на электронную почту zakaz@conrad.ru или заказным письмом по нашему адресу. Вы также можете доставить его к нам в офис в Санкт-Петербурге.

    Обратите внимание: товар надлежащего качества подлежит возврату или обмену, если его товарный вид, упаковка, потребительские свойства сохранены и все необходимые документы (гарантийные талоны, паспорт изделия и т.д.) в порядке. В обратном случае товар возврату и обмену не подлежит.

    Возврат денежных средств Покупателю (физическому лицу) осуществляется в случае отказа от заказанного товара надлежащего качества, за исключением изделий, входящих в перечень технически сложных товаров, а также в случае обнаружения дефектов товара, возникших не по вине Покупателя. Возврат денежных средств возможен после рассмотрения заявления от Покупателя и производится наличным или безналичным платежом, в зависимости от того, какой способ оплаты был выбран при оплате товара.

    Все товары, продаваемые на сайте conrad.ru имеют стандартную гарантию 1 год. Отдельные производители могут назначать расширенную гарантию на свои товары.

    Предъявить требования об обмене или возврате Вам необходимо в виде заявления на электронную почту zakaz@conrad.ru или заказным письмом по нашему адресу. Вы также можете доставить его к нам в офис в Санкт-Петербурге.

    Обратите внимание: товар надлежащего качества подлежит возврату или обмену, если его товарный вид, упаковка, потребительские свойства сохранены и все необходимые документы (гарантийные талоны, паспорт изделия и т.д.) в порядке. В обратном случае товар возврату и обмену не подлежит.

    Возврат денежных средств Покупателю (физическому лицу) осуществляется в случае отказа от заказанного товара надлежащего качества, за исключением изделий, входящих в перечень технически сложных товаров, а также в случае обнаружения дефектов товара, возникших не по вине Покупателя. Возврат денежных средств возможен после рассмотрения заявления от Покупателя и производится наличным или безналичным платежом, в зависимости от того, какой способ оплаты был выбран при оплате товара.

    Все товары, продаваемые на сайте conrad.ru имеют стандартную гарантию 1 год. Отдельные производители могут назначать расширенную гарантию на свои товары.

    Предъявить требования об обмене или возврате Вам необходимо в виде заявления на электронную почту zakaz@conrad.ru или заказным письмом по нашему адресу. Вы также можете доставить его к нам в офис в Санкт-Петербурге.

    Обратите внимание: товар надлежащего качества подлежит возврату или обмену, если его товарный вид, упаковка, потребительские свойства сохранены и все необходимые документы (гарантийные талоны, паспорт изделия и т.д.) в порядке. В обратном случае товар возврату и обмену не подлежит.

    Возврат денежных средств Покупателю (физическому лицу) осуществляется в случае отказа от заказанного товара надлежащего качества, за исключением изделий, входящих в перечень технически сложных товаров, а также в случае обнаружения дефектов товара, возникших не по вине Покупателя. Возврат денежных средств возможен после рассмотрения заявления от Покупателя и производится наличным или безналичным платежом, в зависимости от того, какой способ оплаты был выбран при оплате товара.

    Мы всегда рады помочь! 

    Если у вас есть дополнительные вопросы о товаре, способах оплаты или наличии товара напишите нам на почту info@conrad.ru  или звоните по бесплатному номеру телефона 8 800 350-14-10 

    Мы с радостью ответим на все Ваши вопросы и поможем подобрать товар, который подойдет для решения Ваших задач.

    Если у Вас есть предложения или замечания по работе нашего сайта, сервису или доставке товара, обязательно напишите нам на почту marketing@conrad.ru. Мы не оставим Ваше письмо без внимания.

    Желаем Вам приятных покупок в нашем интернет-магазине

    С уважением,
    Команда conrad.ru

    Все товары, продаваемые на сайте conrad.ru имеют стандартную гарантию 1 год. Отдельные производители могут назначать расширенную гарантию на свои товары.

    Предъявить требования об обмене или возврате Вам необходимо в виде заявления на электронную почту zakaz@conrad.ru или заказным письмом по нашему адресу. Вы также можете доставить его к нам в офис в Санкт-Петербурге.

    Обратите внимание: товар надлежащего качества подлежит возврату или обмену, если его товарный вид, упаковка, потребительские свойства сохранены и все необходимые документы (гарантийные талоны, паспорт изделия и т.д.) в порядке. В обратном случае товар возврату и обмену не подлежит.

    Возврат денежных средств Покупателю (физическому лицу) осуществляется в случае отказа от заказанного товара надлежащего качества, за исключением изделий, входящих в перечень технически сложных товаров, а также в случае обнаружения дефектов товара, возникших не по вине Покупателя. Возврат денежных средств возможен после рассмотрения заявления от Покупателя и производится наличным или безналичным платежом, в зависимости от того, какой способ оплаты был выбран при оплате товара.

    Все товары, продаваемые на сайте conrad.ru имеют стандартную гарантию 1 год. Отдельные производители могут назначать расширенную гарантию на свои товары.

    Предъявить требования об обмене или возврате Вам необходимо в виде заявления на электронную почту zakaz@conrad.ru или заказным письмом по нашему адресу. Вы также можете доставить его к нам в офис в Санкт-Петербурге.

    Обратите внимание: товар надлежащего качества подлежит возврату или обмену, если его товарный вид, упаковка, потребительские свойства сохранены и все необходимые документы (гарантийные талоны, паспорт изделия и т.д.) в порядке. В обратном случае товар возврату и обмену не подлежит.

    Возврат денежных средств Покупателю (физическому лицу) осуществляется в случае отказа от заказанного товара надлежащего качества, за исключением изделий, входящих в перечень технически сложных товаров, а также в случае обнаружения дефектов товара, возникших не по вине Покупателя. Возврат денежных средств возможен после рассмотрения заявления от Покупателя и производится наличным или безналичным платежом, в зависимости от того, какой способ оплаты был выбран при оплате товара.

    • Похожие товары
    • С этим товаром покупают

    Нужна консультация?

    Наши специалисты ответят на любой интересующий вопрос
    Задать вопрос
    Каталог
    • Электромеханические компоненты
    • Разъемы
    • Измерительная техника
    • Корпуса для приборов и РЭА
    • Активные компоненты
    • Автоматизация
    &bpsp;
    • Электрическое питание
    • Инструмент
    • Паяльная техника
    • Пневматика и давление
    О компании
    • О нас
    • Сертификаты
    • Бренды
    • Оптовые поставки
    • Новости
    • Блог
    • Контакты
    • Новости о поставках
    Покупателям
    • Помощь
    • Оплата
    • Доставка
    • Тендерный отдел
    • Возврат и обмен
    • Вопросы и ответы
    • Отправить запрос
    Политика конфиденциальности
    8 (812) 509 35 08
    8 (812) 509 35 08пн-пт с 10:00 до 18:00
    info@conrad.ru
    YandexMaps
    Заказать звонок
    ИНН: 47814055361 ОГРН: 1037832022282
    Юр. адрес: 191123, Город Санкт-Петербург, вн.тер.г. муниципальный округ Смольнинское, ул Чайковского, д. 60, литера Б, помещ. 7Н
    2026 © ООО «СП Юник+». Все права защищены
    Карта сайта

    Для полноценной работы наш сайт использует файлы cookie. Продолжая использовать сайт, вы даете свое согласие на использование файлов cookie.